首頁 > NEMA標準不銹鋼電機 > NEMA標準不銹鋼電機
NEMA標準不銹鋼電機
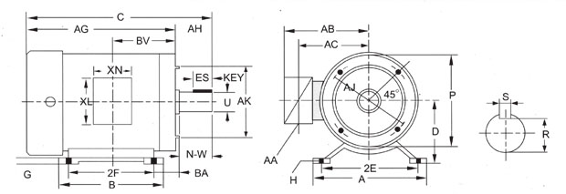
- 產品描述
該系列電機為全封閉三相鼠籠式異步電動機。電氣性能及安裝尺寸均符合美國電氣制造商協會標準MG1-1998的相關標準,采用F級絕緣,尼馬 C或B設計。效率達到美國EPACT'92及NRCan的效率要求。機座號從56至250,功率等級從1 / 4到20HP的產品已獲得CSA(“C”及“US”)。證書號為:1414458。該型電機的軸、機殼、端蓋、螺釘等結構部件均采用不銹鋼材料。外型美觀光亮,抗腐蝕 ,無鐵銹、清潔衛生。可廣泛應用于食品,化工等行業。



- 其它產品





